UIC60 šinaje težak-čelični profil težine 60,21 kg po metru, dizajniran posebno za-brzine i velike{3}}opterećenja željezničke sredine. AtGNEE RAIL, naš proizvodni pogon koristi visoko{0}}precizne valjaonice i naprednu tehnologiju termičke{1}}obrade kako bi osigurao da svaka šina ispunjava stroge mehaničke zahtjeve međunarodnih standarda kao što je EN 13674-1.
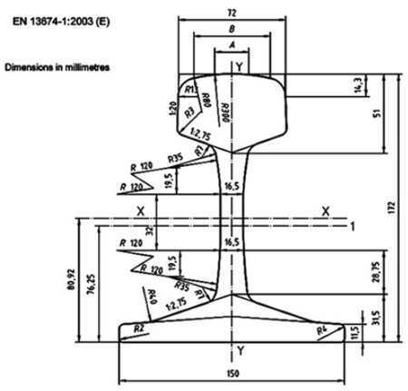
60e1 dimenzije šine

| Veličina | Dimenzija | Težina (kg/m) | Materijal | dužina (m) | |||
| glava (mm) | Visina (mm) | Baza | Web | ||||
| UIC60 | 72 | 172 | 150 | 16.5 | 60.21 | 900A/1100 | 12-25 |
Koja su mehanička svojstva šine uic60?
UIC 60 (ili 60E1) šina je željeznička šina visoke-evropske čvrstoće (EN 13674-1) težine 60,21 kg/m, optimizirana za velike-brzine (do 350 km/h) i teški teret.
- Vlačna čvrstoća i čvrstoća tečenja
Najkritičnije mehaničko svojstvo šine UIC60 je njena vlačna čvrstoća, koja određuje koliko naprezanja šina može izdržati prije loma. Za standardR260 klasa proizvedena u GNEE RAIL, minimalna vlačna čvrstoća je 880 MPa. Za specijalizovane projekte koji zahtevaju veće performanse, našR350HT(Termički obrađene) šine mogu doseći vlačnu čvrstoću od 1175 MPa ili više.

| R260 | Mehanička svojstva | Hemijski sastav | |||||||||||
| Granica tečenja | Zatezna čvrstoća | Izduženje | Tvrdoća | C | Si | Mn | S | P | H ppm | O ppm | |||
| MPa | kg/mm² | MPa | kg/mm² | min | HB | Manje ili jednako | Manje ili jednako | Manje ili jednako | Manje ili jednako | ||||
| Veće ili jednako 880 | 10% | 260-300 | 0.62-0.80 | 0.15-0.58 | 0.70-1.20 | 0.025 | 0.025 | 2.5 | 20 | ||||
| R350HT | Mehanička svojstva | Hemijski sastav | |||||||||||
| Granica tečenja | Zatezna čvrstoća | Izduženje | Tvrdoća | C | Si | Mn | S | P | H ppm | O ppm | |||
| MPa | kg/mm² | MPa | kg/mm² | min | HB | Manje ili jednako | Manje ili jednako | Manje ili jednako | Manje ili jednako | ||||
| Veće ili jednako 1175 | 9% | 350-390 | 0.72-0.80 | 0.15-0.58 | 0.70-1.20 | 0.025 | 0.020 | 2.5 | 20 | ||||
Granica tečenja je jednako važna, jer definira tačku u kojoj će se čelik trajno deformirati. Komande GNEE RAIL-a šine 60e1 osiguravaju visok omjer popuštanja-prema-zatezanju, omogućavajući gusjenicama da podrže ogromna osovinska opterećenja bez gubitka geometrijskog oblika tokom godina teške upotrebe.
- Standardi izduženja i duktilnosti
Čvrstoća mora biti izbalansirana sa duktilnošću kako bi se spriječilo da šina postane lomljiva i puca pri iznenadnim udarima.

U našem proizvodnom procesu osiguravamo da UIC60 šine održavaju izduženje od najmanje 10%. Ovo svojstvo omogućava šini da se lagano "savija" pod dinamičkom težinom voza koji prolazi i apsorbuje energiju bez loma. Ovo je posebno važno u regijama s ekstremnim temperaturnim fluktuacijama, gdje se čelik mora širiti i skupljati bez stvaranja unutrašnjih pukotina naprezanja. Naša laboratorija provjerava ove nivoe kroz rigorozne testove savijanja i zatezanja na svakoj proizvodnoj seriji.
Tvrdoća i otpornost na habanje po Brinellu
Tvrdoća glave šine određuje koliko će tračnica trajati prije nego što bude potrebno brušenje ili zamjenu. Za standardni UIC60 (R260), tvrdoća se obično kreće između 260 i 300 HBW. Međutim, za kolosijeke sa oštrim krivinama ili sa-visokofrekventnim saobraćajem, nudimo -kaljene šine (R350HT) sa opsegom tvrdoće od 350 do 390 HBW.

Povećanjem gustoće perlita u čeliku kroz kontrolirano hlađenje u našem pogonu, GNEE RAIL značajno poboljšava otpornost šine na bočno trošenje i "zamor kotrljanja". Ovo rezultira dužim vijekom trajanja i smanjenim intervalima održavanja za operatera.
GNEE RAILnudi više od samo UIC60 željeznice: pružamo kompletno-uslužno rješenje prilagođeno vašem projektu. Od tehničkih konsultacija i proizvodnje po narudžbi do logistike i-poprodajne podrške, stojimo uz vas u svakoj fazi. Naš tim radi na usklađivanju naših proizvoda s vašim vremenskim okvirom, budžetom i operativnim potrebama, tako da se možete usredotočiti na izgradnju odlične željezničke infrastrukture bez dodatnih problema.
Kontaktirajte nasza rješenja UIC60 Rail Profile

