Šta je standardni uic60 profil šine?
TheUIC60 šina, službeno označen kao profil 60E1 prema evropskom standardu EN 13674-1, jedna je od najšire korištenih čeličnih šina za teške{4}}konstrukcije širom svijeta, posebno dizajnirana za-brze željeznice i mreže za teški teretni transport.
Kao direktan, veliki-proizvođač čeličnih šina,GNEE RAILkoristi vrhunske---umetnosti univerzalne valjaonice i napredne tehnologije kontinuiranog livenja za proizvodnju UIC60 profila. Robustan proizvodni kapacitet naše tvornice osigurava da svaki metar šine savršeno odgovara međunarodnom planu, pružajući neusporedivu stabilnost za vašu željezničku infrastrukturu.
uic60 specifikacija šine:
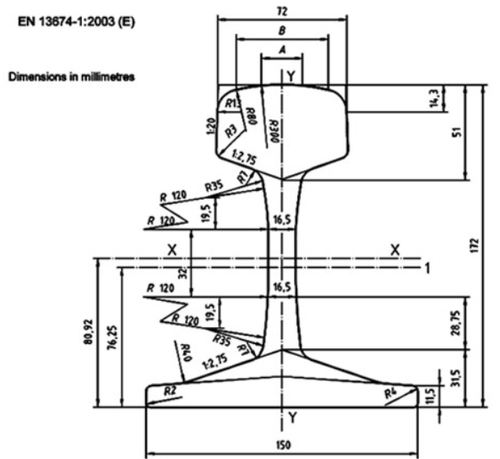
Standardni profil ima masu od 60,21 kg po metru. Njegova ukupna visina iznosi 172 mm, pružajući izuzetnu vertikalnu krutost. Širina osnove (prirubnice) je 150 mm, širina glave je 72 mm, a debljina mreže je 16,5 mm.

| Veličina | Dimenzija | Težina (kg/m) | Materijal | dužina (m) | |||
| glava (mm) | Visina (mm) | Baza | Web | ||||
| UIC60 | 72 | 172 | 150 | 16.5 | 60.21 | 900A/1100 | 12-25 |
"profil" se odnosi na tačnu geometriju poprečnog-presjeka šine, koja diktira način na koji ona stupa u interakciju s točkovima vlaka i distribuira ogromna dinamička opterećenja.
TheUIC60 glava šineima složenu više-krivulju. Ova specifična geometrija je kritična jer direktno kontroliše interfejs točak{2}}šine. Precizno valjana glava od 72 mm maksimizira kontaktnu površinu. Ovo značajno smanjuje kontaktni pritisak po kvadratnom milimetru. Posljedično, pomaže u ublažavanju zamora kontakta pri kotrljanju (RCF) i minimizira abrazivno habanje i šine i kotača. Ovaj optimalni dizajn na kraju produžava životni ciklus održavanja čitavog šinskog sistema.

Podržava glavu, debljine 16,5 mmwebdjeluje kao primarni strukturni stub. Dizajniran je da apsorbuje i prenosi ogromne vertikalne sile smicanja bez izvijanja. U podnožju, 150 mm širok otisak osigurava izuzetnu stabilnost. Ova široka prirubnica se neprimjetno integrira sa modernim elastičnim sistemima pričvršćivanja, kao što su E- obujmice ili SKL stezne stezaljke. Efikasno raspoređuje koncentrisano opterećenje sa mreže na betonske pragove i balast kolosijeka, efikasno sprečavajući slijeganje kolosijeka.
AtGNEE RAIL, koristimo naprednu tehnologiju proizvodnje i strogu kontrolu kvaliteta kako bismo isporučili UIC60 šinu neusporedive konzistencije. Naš najsavremeniji---proces proizvodnje uključuje precizno valjanje, termičku obradu i strogu inspekciju mehaničkih svojstava-osiguravajući vlačnu čvrstoću, čvrstoću tečenja i tvrdoću u skladu sa ili premašuju UIC specifikacije. Svaka šinska serija je praćena sveobuhvatnim dokumentima o certifikaciji, uključujući izvještaje o ispitivanju materijala i certifikate o sljedivosti, pružajući potpunu transparentnost za vaše potrebe nabavke i usklađenosti.
Raspitajte se o našim masovnim cijenama i rasporedima isporuke dokontaktirajte nasdanas.

