Koja je razlika između UIC54 i UIC60?
UIC 54 iUIC 60 su dvije najkorištenije čelične šine u globalnoj željezničkoj infrastrukturi, koje se striktno pridržavaju standarda koje je postavila Međunarodna željeznička unija (UIC). Kao specijalizovani proizvođač čeličnih šina, GNEE RAIL je bio na čelu proizvodnje vrhunskih UIC standardnih šina za globalne infrastrukturne projekte.
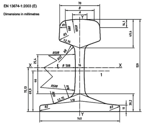
Dimenzionalne specifikacije i geometrijski dizajn
Osnovna razlika između UIC 54 i UIC 60 leži u njihovim geometrijskim dimenzijama, koje direktno diktiraju njihov fizički volumen i zahtjeve za ugradnju.
TheUIC 60 šinaima veći ukupni profil dizajniran za maksimalnu stabilnost. Konkretno, UIC 60 ima visinu šine od 172 mm, osnovnu širinu od 150 mm i širinu glave od 72 mm.

| Veličina | Dimenzija | Težina (kg/m) | Materijal | dužina (m) | |||
| glava (mm) | Visina (mm) | Baza | Web | ||||
| UIC60 | 72 | 172 | 150 | 16.5 | 60.21 | 900A/1100 | 12-25 |
Nasuprot tome, theUIC 54je nešto kompaktniji, sa visinom šine od 159 mm, širinom baze od 140 mm i širinom glave od 70 mm.

| Vrsta šine | Standard | Dimenzije (mm) | Odjeljak S | Mass m | ||||
| H | B | C | D | E | cm² | kg/m | ||
| Evropski standard EN 13674-1 | ||||||||
| 54E1 (UIC54) | EN 13674 - 1 | 159,00 | 140,00 | 70,00 | 49,40 | 16,00 | 68,77 | 54,77 |
Ova dimenziona varijanta znači da UIC 60 nudi širu bazu za bolju raspodjelu težine na pragovima, dok UIC 54 pruža moderniji profil za standardne željezničke konfiguracije.
Varijacije težine i strukturna čvrstoća
U željezničkom inženjerstvu, linearna masa šine je primarni pokazatelj njenog strukturalnog integriteta i{0}}nosivosti. Brojevi u konvenciji o imenovanju otprilike odgovaraju njihovoj težini po metru.

Tračnica UIC 54 teži približno 54,77 kg/m , dok UIC 60 šina ima veću masu od 60,21 kg/m . Dodatna masa u UIC 60 profilu značajno povećava njegov moment inercije i modul presjeka. To znači vrhunsku otpornost na savijanje i zamor metala pod ekstremnim naprezanjem. Teži UIC 60 efikasnije apsorbuje dinamičke udare i vibracije od UIC 54, smanjujući ukupno habanje i infrastrukture pruge i voznog parka.
Kako odabrati pravu vrstu šine?
Odabir ispravnog profila šine u potpunosti ovisi o obimu prometa, radnoj brzini i osovinskom opterećenju predviđene željezničke pruge.
Zbog srednje-teške težine profila,UIC 54je standardni izbor za konvencionalne putničke linije, sisteme gradskog prevoza (kao što su podzemne željeznice i laka željeznica) i rute mješovitog{0}}saobraćaja sa umjerenim osovinskim opterećenjem. Nudi odličnu ravnotežu između pouzdanosti konstrukcije i cijene materijala.

S druge strane,UIC 60je eksplicitno dizajniran za vrlo zahtjevna okruženja. To je obavezan standard za-mreže brzih željeznica (koje rade iznad 250 km/h) i-teške teretne koridore gdje osovinska opterećenja često prelaze 25 tona. Robusna priroda UIC 60 osigurava stabilnost kolosijeka pod ogromnom kinetičkom energijom koju generiraju moderni metkani vozovi i masivne teretne lokomotive.
BiranjeGNEE RAILznači pouzdan kvalitet, odgovornu uslugu i direktne fabričke cijene. Željeznički kupci širom svijeta imaju povjerenje u našu UIC60 šinu zbog performansi i izdržljivosti. Stojimo iza svake šine koju šaljemo.Javite se sadai hajde da zajedno podržimo vaš projekat železnice.

